
在这个快节奏的社会,每天拖着疲惫的身体回到别人的房子(租的)能吃上一顿热腾腾的饭菜,确实是一件幸福的事情谈到吃饭,就离不开厨具常用来做饭的厨具就属煤气灶和电磁炉了电磁炉作为常用电器,还是有必要了解一下......
在这个快节奏的社会,每天拖着疲惫的身体回到别人的房子(租的)
能吃上一顿热腾腾的饭菜,确实是一件幸福的事情

谈到吃饭,就离不开厨具
常用来做饭的厨具就属煤气灶和电磁炉了
电磁炉作为常用电器,还是有必要了解一下的

电磁炉

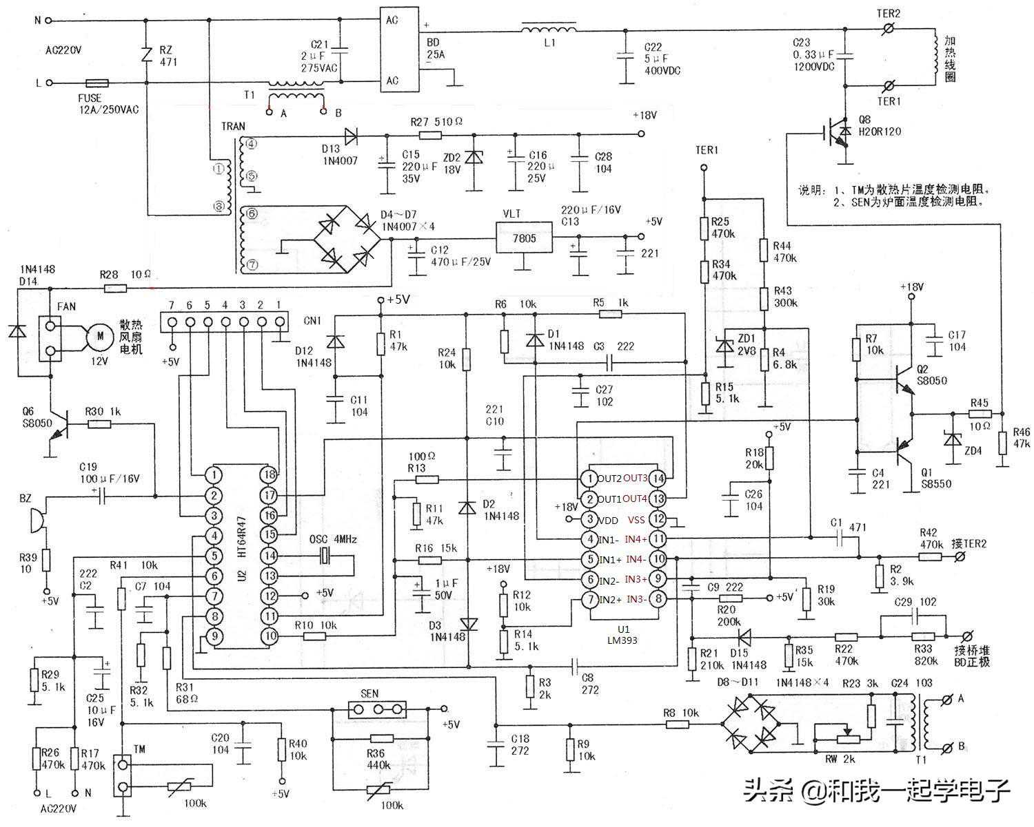
电磁炉电路板
同学们是不是一看到这么大一张原理图,一下子就不知从哪里下手分析了

电磁炉电路原理图
没关系,今天作者就和大家一起
从基本的电磁炉工作原理开始,和大家一步一步搭建完整的电磁炉电路
1.电磁炉工作原理
电磁炉利用加热线圈产生高频电磁,电磁耦合到铁锅上,形成涡流,产生热量

电磁炉工作原理
2.最基本的电磁炉电路
通过工作原理我们知道,只要铁锅能感应到电磁,就可以形成涡流,产生热量

只要我们快速按下松开开关,加热线圈就会导通和关断,产生电磁
3.功率开关代替麒麟臂
显然,一个手炒菜一个手按开关是不怎么现实的

功率开关IGBT

功率开关IGBT
通过加入功率开关代替人手,图中C23是谐振电容,因为谐振时线圈自身损耗最小,能量全部传到铁锅
4.产生PWM驱动IGBT
IGBT驱动是需要驱动电流的,通过运放LM339产生的驱动电流显然是不够的,所以加入IGBT驱动电路

电路原理图

控制芯片
控制芯片HT64R47和运放LM339以及外围电路共同产生和控制PWM
5.电路工作总是离不开电源
电路工作是离不开电源的,图中使用工频变压器整流,线性芯片稳压,为内部电路提供+18V和+5V电源

电源部分

电源部分可以使用开关电源代替也是可以的,只要能提供合适的电压和电流
6.发热的器件需要散热
IGBT工作在高速开关状态,产生开关损耗,有损耗就有热量产生
整流桥有压降,流过电流也大,产生的热量也是不可估量的

散热部分电路

散热风扇
散热风扇通过主控芯片提供控制信号,达到电磁炉关机后再继续运转一段时间的效果
7.引入控制面板
使用者需要控制锅的温度,并且要显示出来

部分电路

控制面板
蜂鸣器利用电容隔直通交特性,控制芯片产生方波输出时就发出声音
8.检测温度需要温度测量电路
温度测量电路为控制芯片提供了温度参考,实时监测锅的温度,和防止功率器件过热

温度检测部分电路

在发热盘上的热敏电阻
温度检测通过热敏电阻分压后送入控制芯片进行计算
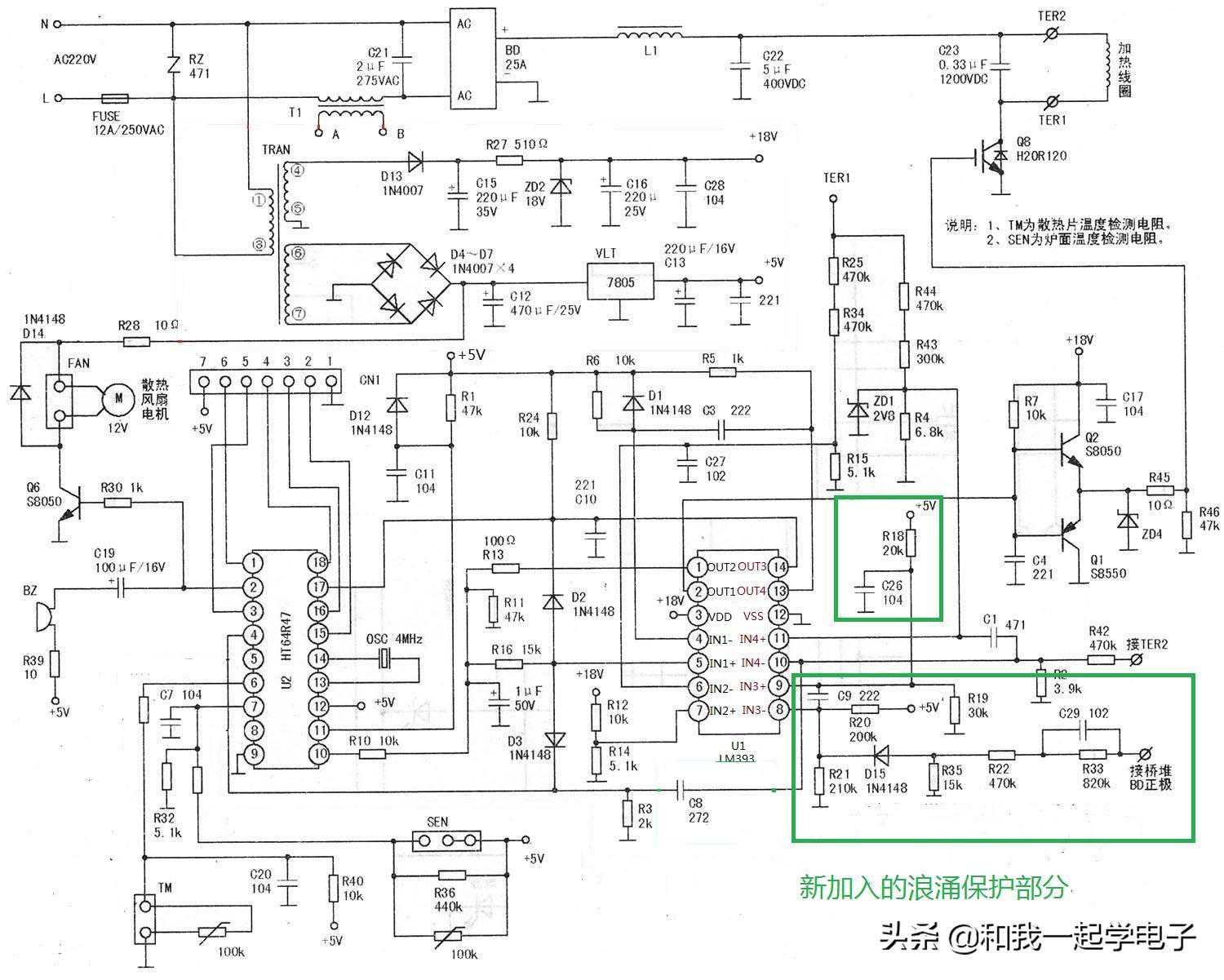
9.防止浪涌损坏IGBT
电磁炉在工作时,铁锅离开炉面和放到炉面上时都会产生浪涌
浪涌会冲击IGBT,所以加入浪涌保护电路是必不可少的

浪涌部分保护电路
通过运放LM393的运放3,比较功率部分产生的浪涌,调节PWM和送入控制芯片的17脚实现浪涌保护
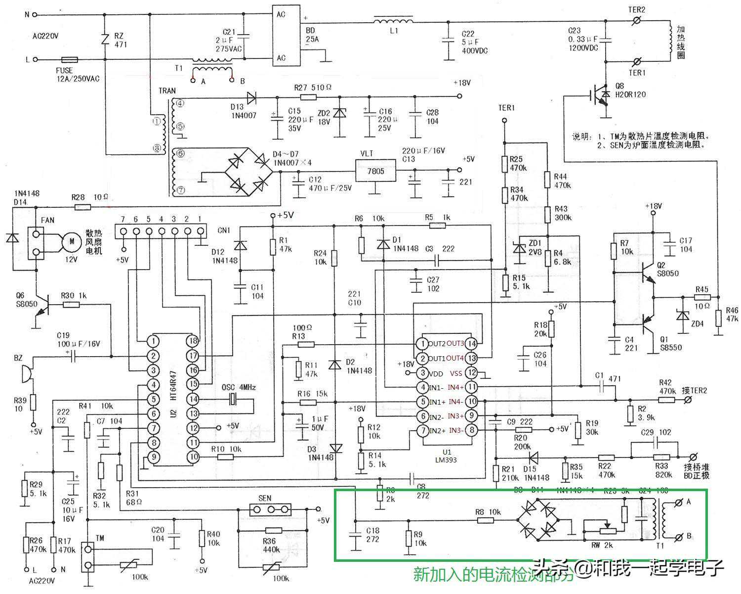
10.检锅和功率不足检测电路
有锅时,预期的PWM脉宽总是对应着一个输入功率(既输入电流)

电流检测部分
通过交流互感器T1产生感应电流,经二极管整流滤波后送人主控芯片8脚计算输入电流,实现检锅和功率不足检测