
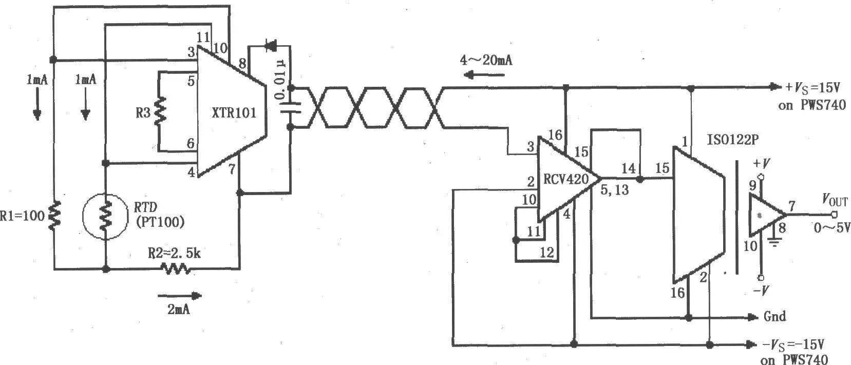
如图所示为由ISO122P/124与环路电流发送电路XTR101、环路电流接收电路RCV420构成的隔离式RTDs检测4~20mA环路仪器放大电路。电阻式温度检测器(RTD)检测温度变化,将温度变化转......
如图所示为由ISO122P/124与环路电流发送电路XTR101、环路电流接收电路RCV420构成的隔离式RTDs检测4~20mA环路仪器放大电路。电阻式温度检测器(RTD)检测温度变化,将温度变化转变为电信号输入XTR101,由XTR101变换为4~20mA电流输出,经过双绞线传输,由RCV420接收,再将4~20mA电流转换为电压信号,放大后送到隔离放大器ISO122P,由ISO122P隔离放大后输出0~5V电压。

